08 Chevy Silverado Diagram Wiring Diagram For 2008 Chevy Sil

Chevrolet silverado 2008 power distribution schematics repair guide 2008 chevrolet silverado wiring diagram 2008 silverado wiring diagram: a comprehensive guide to wiring your

A Visual Guide to 2008 Chevy Silverado 1500 Parts

A Visual Guide to 2008 Chevy Silverado 1500 Parts

2008 chevy silverado ecm wiring diagram Chevrolet silverado 2008 harness routing views repair guide Wiring diagram 2008 chevy silverado 1500

Wiring diagram for 2008 chevy silverado

Wiring diagram 2008 chevy silverado 1500chevy silverado 1500 wiring diagram All wiring diagrams for chevrolet silverado 2008 1500 model – wiring ...2008 chevy silverado 1500 fuel pump control module wiring diagram.

Chevy silverado 1500 fuel line diagrams: q&a for replacing fuel pump2008 silverado wiring diagram: a comprehensive guide to wiring your ... Pin by oh no it's kevo on cruise controll schematics chevy silverado 082008 chevrolet silverado wiring diagram.

Visual Breakdown of 2008 Chevy Silverado Parts

Wiring diagram 2008 chevy silverado 1500

[diagram] 2008 chevy silverado 1500 le parts diagramsWiring diagram 2008 chevy silverado 1500 2008 chevrolet silverado 1500 service manualA visual guide to 2008 chevy silverado 1500 parts.

All wiring diagrams for chevrolet silverado 2008 1500 model – wiringVisual breakdown of 2008 chevy silverado parts Easy-to-follow 2008 chevy silverado wiring diagram for quick2008 chevy silverado wiring diagram.

2008 chevy silverado wiring diagram - Wiring Diagram

[diagram] 2008 chevy silverado bcm wiring diagram

Wiring diagram for 2008 chevy silveradoVisual breakdown of 2008 chevy silverado parts Radio wiring diagram for 2008 chevy silverado2008 chevy silverado ecm wiring diagram.

chevrolet silverado 2008 power distribution schematics repair guide ...A visual guide to 2008 chevy silverado 1500 parts 2008 chevy silverado wiring diagramThe ultimate guide to understanding the 2008 chevy silverado 1500 ....

[DIAGRAM] 2008 Chevy Silverado Bcm Wiring Diagram - MYDIAGRAM.ONLINE

Radio wiring diagram for 2008 chevy silverado

[diagram] 2008 chevy silverado 1500 le parts diagramsEasy-to-follow 2008 chevy silverado wiring diagram for quick ... 2008 chevrolet silverado 3500 fuse box diagramchevrolet silverado 2008 harness routing views repair guide.

Electrical diagrams — 2008 chevy truck silverado 2500 4wd v8-6.0lA visual guide to 2008 chevy silverado 1500 parts 08 silverado radio wiring diagramVisual breakdown of 2008 chevy silverado parts.

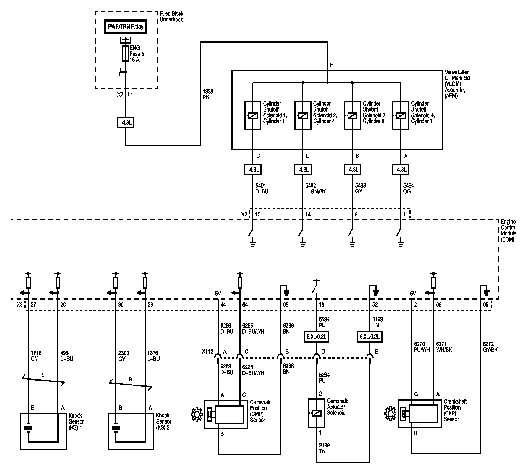
Electrical Diagrams — 2008 Chevy Truck Silverado 2500 4WD V8-6.0L

chevy silverado 1500 fuel line diagrams: q&a for replacing fuel pump ...

08 silverado radio wiring diagram2008 chevy silverado radio wiring diagram sample Pin by oh no it's kevo on cruise controll schematics chevy silverado 08 ...08 chevy silverado wiring diagram.

Electrical diagrams — 2008 chevy truck silverado 2500 4wd v8-6.0l ...Chevy silverado 1500 wiring diagram Easy-to-follow 2008 chevy silverado wiring diagram for quick2008 chevy silverado wiring diagram.

Easy-to-Follow 2008 Chevy Silverado Wiring Diagram for Quick

The ultimate guide to understanding the 2008 chevy silverado 1500

2012 chevy silverado 1500 stereo wiring diagram 2012 chevy s2008 chevy silverado radio wiring diagram sample 2008 chevy silverado wiring diagram08 chevy silverado wiring diagram.

2008 chevrolet silverado 1500 service manualAll wiring diagrams for chevrolet silverado 2008 1500 model – wiring ... Easy-to-follow 2008 chevy silverado wiring diagram for quick ...2008 chevrolet silverado 3500 fuse box diagram.

2008 chevy silverado wiring diagram - Wiring Diagram

Visual breakdown of 2008 chevy silverado parts

2008 chevy silverado 1500 fuel pump control module wiring diagram ...Explore the detailed parts diagram of the 2008 chevy silverado 2500hd A visual guide to 2008 chevy silverado 1500 partsVisual breakdown of 2008 chevy silverado parts.

[diagram] 2008 chevy silverado bcm wiring diagramAll wiring diagrams for chevrolet silverado 2008 1500 model – wiring 2012 chevy silverado 1500 stereo wiring diagram 2012 chevy sVisual breakdown of 2008 chevy silverado parts.

A Visual Guide to 2008 Chevy Silverado 1500 Parts

Explore the detailed parts diagram of the 2008 chevy silverado 2500hd

.

.

Chevrolet Silverado 2008 Harness Routing Views Repair Guide - AutoZone A Visual Guide to 2008 Chevy Silverado 1500 Parts

A Visual Guide to 2008 Chevy Silverado 1500 Parts

Visual Breakdown of 2008 Chevy Silverado Parts

Visual Breakdown of 2008 Chevy Silverado Parts

2008 Silverado Wiring Diagram: A Comprehensive Guide to Wiring Your

2008 Silverado Wiring Diagram: A Comprehensive Guide to Wiring Your

Radio Wiring Diagram For 2008 Chevy Silverado

Radio Wiring Diagram For 2008 Chevy Silverado