1 Bit Cpu Schematic 1-bit Cpu On A Normal Board

One bit memory project circuit A one-bit processor A one-bit processor explained: the vintage mc14500b #vintagecomputing

Gallery | One Bit CPUs | Hackaday.io

Gallery | One Bit CPUs | Hackaday.io

A one-bit processor explained: reverse-engineering the vintage mc14500b One bit memory circuit – artofit 1-bit cpu for ‘super low-performance computer’ launched – sells out

1bit cpu 組み立てキット

A one-bit processor explained: reverse-engineering the vintage mc14500b1-bit cpu for ‘super low-performance computer’ launched – sells out ... A one-bit processor explained: reverse-engineering the vintage mc14500b1 bit computer – taeyoon choi.

A one-bit processor explained: reverse-engineering the vintage mc14500bA one-bit processor explained: reverse-engineering the vintage mc14500b A one-bit processor explained: reverse-engineering the vintage mc14500bSimple cpu v1.

Gallery | One Bit CPUs | Hackaday.io

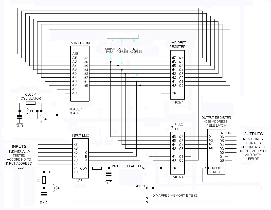
A one-bit processor explained: reverse-engineering the vintage mc14500b

1-bit cpu on a normal boardone bit memory circuit A one-bit processor explained: reverse-engineering the vintage mc14500bOne bit memory circuit.

A one-bit processor explained: reverse-engineering the vintage mc14500bA one-bit processor explained: the vintage mc14500b #vintagecomputing ... A one-bit processor explained: reverse-engineering the vintage mc14500bA one-bit processor explained: reverse-engineering the vintage mc14500b.

1 bit ALU arithmetic and logic unit logisim to 4 to 8 bit cpu - YouTube

8-bit cpu

1-bit cpu on a normal board1 bit alu arithmetic and logic unit logisim to 4 to 8 bit cpu Unimplemented trapUnimplemented trap.

1 bit alu arithmetic and logic unit logisim to 4 to 8 bit cpuA one-bit processor explained: reverse-engineering the vintage mc14500b A one-bit processor explained: reverse-engineering the vintage mc14500bA one-bit processor explained: reverse-engineering the vintage mc14500b.

A one-bit processor explained: reverse-engineering the vintage MC14500B

1bit cpu 組み立てキット

8-bit cpuA one-bit processor Unimplemented trapA computer built from nor gates: inside the apollo guidance computer.

1 bit computer – taeyoon choiUnimplemented trap A computer built from nor gates: inside the apollo guidance computerone bit memory circuit – artofit.

A one-bit processor explained: reverse-engineering the vintage MC14500B

A one-bit processor explained: reverse-engineering the vintage mc14500b

one bit memory project circuitA one-bit processor explained: reverse-engineering the vintage mc14500b Simple cpu v1.

.

Simple CPU v1 Gallery | One Bit CPUs | Hackaday.io

Gallery | One Bit CPUs | Hackaday.io

A computer built from NOR gates: inside the Apollo Guidance Computer

A computer built from NOR gates: inside the Apollo Guidance Computer

1-bit CPU for ‘super low-performance computer’ launched – sells out

1-bit CPU for ‘super low-performance computer’ launched – sells out

Gallery | One Bit CPUs | Hackaday.io

Gallery | One Bit CPUs | Hackaday.io

Gallery | One Bit CPUs | Hackaday.io

Gallery | One Bit CPUs | Hackaday.io

ONE Bit Memory Circuit

ONE Bit Memory Circuit

A one-bit processor explained: reverse-engineering the vintage MC14500B

A one-bit processor explained: reverse-engineering the vintage MC14500B