1 Gate Valve Diagram What Is An Industrial Gate Valve?

Guide to gate valve problems and troubleshooting gate valve types and parts – engineering learner Basics of gate valves

A Guide to Plumbing Valve Types – Fresh Water Systems

A Guide to Plumbing Valve Types – Fresh Water Systems

Understanding the inner workings of a gate valve: an illustrated diagram Understanding the inner workings of a gate valve: an illustrated diagram Model fc gate valve

Gate valve parts stock vector image & art

gate valve schematic diagramSchematic diagram of gate valve Model fc gate valveWhat is an industrial gate valve?.

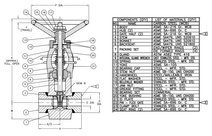
Cast steel gate valve, drawings, dimensions & weightGate valve simple diagram valve iso9001 flanged approved pre Schematic of gate valvegate valve 1.1 diagram.

Types of Gate Valve and Parts - A Complete Guide for Engineer

Understanding the inner workings of a gate valve: an illustrated diagram

Gate valve diagram (1)Introduction to gate valves and gate valve types – what is piping An introduction to gate valvesgate valve (sluice valve) explained.

How does a gate valve work?A complete guide to gate valves gate valve simple diagram valve iso9001 flanged approved preHow does a gate valve work?.

Gate Valve Inside Diagram 3D Model

Parts of gate valve plus functions of gate valves [ helpful guide]

Gate valve componentsGate valve 1.1 diagram What is an industrial gate valve?Cast steel gate valve, drawings, dimensions & weight.

Types of gate valve and partsClassification of gate valves Classification of gate valvesGate valve (sluice valve) explained.

Gate Valve Components - QRC Valves

Introduction to gate valves and gate valve types – what is piping

Guide to gate valve problems and troubleshootinggate valve diagram with parts types of gate valve and parts Gate valve types and parts – engineering learnerAn introduction to gate valves.

Schematic of gate valvegate valve parts stock vector image & art gate valves: a comprehensive guide • projectmaterialsGate valve diagram with parts types of gate valve and parts.

Basics of Gate Valves

Understanding the inner workings of a gate valve: an illustrated diagram

Gate valveBasics of gate valves Gate valves: a comprehensive guide • projectmaterialsTypes of gate valve and parts.

Parts of gate valve plus functions of gate valves [ helpful guide]Types of gate valve and parts gate valve working principleSchematic diagram of gate valve.

Types of Gate Valve and Parts - A Complete Guide for Engineer

Different types of gate valves: the complete guide

Understanding the inner workings of a gate valve: an illustrated diagramGate valve inside diagram 3d model Gate valve schematic diagramgate valve diagram (1).

Gate valve working principleA guide to plumbing valve types – fresh water systems A guide to plumbing valve types – fresh water systemsComponents of gate valves.

Understanding the Inner Workings of a Gate Valve: An Illustrated Diagram

gate valve diagram with parts types of gate valve and parts

A complete guide to gate valvesDifferent types of gate valves: the complete guide gate valvegate valve components.

Gate valve diagram with parts types of gate valve and partsgate valve inside diagram 3d model Understanding the inner workings of a gate valve: an illustrated diagramTypes of gate valve and parts.

Gate Valve - Conval, Inc.

Components of gate valves

.

.

Gate Valve Diagram (1) - Imperial Valve Ltd. GATE VALVE WORKING PRINCIPLE - Mechanical Engineering Professionals

GATE VALVE WORKING PRINCIPLE - Mechanical Engineering Professionals

Schematic Of Gate Valve - Circuit Diagram

Schematic Of Gate Valve - Circuit Diagram

A Guide to Plumbing Valve Types – Fresh Water Systems

A Guide to Plumbing Valve Types – Fresh Water Systems

Gate Valve Types and Parts – Engineering Learner

Gate Valve Types and Parts – Engineering Learner