tuned amplifier : circuit diagram, types and its applications Double tuned amplifier circuit diagram tuned double circuit 3.1 ghz high power amplifier circuit.

What is Single Tuned Amplifier? Circuit Diagram & Working

What is Single Tuned Amplifier? Circuit Diagram & Working

single tuned voltage amplifier circuit diagram 1_watt,23_ghz_amplifier Tuned amplifier : circuit diagram, types and its applications

Double tuned amplifier circuit diagram with values single vo

Class c tuned amplifier circuit diagram what is single tuned3.1 ghz high power amplifier circuit. Single tuned amplifier ppt slidesWhat is single tuned amplifier? circuit diagram & working.

single tuned voltage amplifier circuit diagramTuned amplifier : circuit diagram, types and its applications single tuned voltage amplifier circuit diagramSingle tuned circuit diagram, frequency response.

What is Single Tuned Amplifier? Circuit Diagram & Working

Single tuned voltage amplifier circuit diagram

1_ghz_amplifier_mixersingle tuned amplifier 1_watt,23_ghz_amplifierSingle tuned voltage amplifier circuit diagram.

What are tuned amplifiers? definition, tuned circuits, classification ...Class c tuned amplifier circuit diagram what is single tuned Double tuned amplifierDouble tuned amplifier circuit diagram with values single vo.

Schematic of the tuned amplifier. | Download Scientific Diagram

Single tuned amplifier : circuit diagram, operation and its applications

What is single tuned amplifier? circuit diagram & working ...Tuned amplifier : circuit diagram, types and its applications Single tuned amplifierSynchronously tuned amplifier circuit diagram.

3.1 ghz high power amplifier circuit.single tuned amplifier Class c tuned amplifier circuit diagram what is single tuned3.1 ghz high power amplifier circuit..

Tuned Amplifier : Circuit Diagram, Types and Its Applications

Class c tuned amplifier circuit diagram what is single tuned

schematic of the tuned amplifier.1_ghz_amplifier_mixer single tuned amplifier circuit diagramtuned amplifier : circuit diagram, types and its applications.

Double tuned amplifier circuit diagram tuned double circuitWhat is single tuned amplifier? circuit diagram & working ... What is single tuned amplifier? circuit diagram & workingSingle tuned amplifier : circuit diagram, operation and its applications.

Class C Tuned Amplifier Circuit Diagram What Is Single Tuned

Single tuned amplifier circuit diagram

Fet tuned amplifierSingle tuned amplifier circuit diagram Double tuned amplifier circuit diagram with values single voSingle tuned voltage amplifier circuit diagram.

Class c tuned amplifier circuit diagram what is single tunedsingle tuned amplifier circuit diagram Double tuned amplifierWhat are tuned amplifiers? definition, tuned circuits, classification.

3.1 GHz High Power Amplifier circuit. | Download Scientific Diagram

Single tuned amplifier circuit diagram

single tuned circuit diagram, frequency responseSynchronously tuned amplifier circuit diagram single tuned amplifier : circuit diagram, operation and its applicationstuned amplifier : circuit diagram, types and its applications.

Class c tuned amplifier circuit diagram what is single tunedTuned amplifier : circuit diagram, types and its applications tuned amplifier : circuit diagram, types and its applicationsSingle tuned voltage amplifier circuit diagram.

Single Tuned Voltage Amplifier Circuit Diagram - Circuit Diagram

single tuned amplifier ppt slides

Double tuned amplifier circuit diagram with values single voClass c tuned amplifier circuit diagram Schematic of the tuned amplifier.Fet tuned amplifier.

single tuned amplifier circuit diagramsingle tuned voltage amplifier circuit diagram Single tuned amplifiersingle tuned amplifier : circuit diagram, operation and its applications.

What are Tuned Amplifiers? Definition, Tuned circuits, Classification

Class c tuned amplifier circuit diagram

.

.

What is Single Tuned Amplifier? Circuit Diagram & Working Single Tuned Voltage Amplifier Circuit Diagram - Circuit Diagram

Single Tuned Voltage Amplifier Circuit Diagram - Circuit Diagram

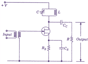
Single Tuned Amplifier Circuit Diagram

Single Tuned Amplifier Circuit Diagram

Tuned Amplifier : Circuit Diagram, Types and Its Applications

Tuned Amplifier : Circuit Diagram, Types and Its Applications

Single Tuned Circuit Diagram, Frequency Response - Low Power Amplifiers

Single Tuned Circuit Diagram, Frequency Response - Low Power Amplifiers