Basic phase shift oscillator 1khz – simple circuit diagram Simple audio oscillator schematic 1 khz wien bridge oscillator

Simple Audio Oscillator Schematic - Circuit Diagram

Simple Audio Oscillator Schematic - Circuit Diagram

Hartley oscillator circuit diagram using transistor Accurate 1 khz square wave crystal oscillator circuit Simple crystal oscillator circuit diagram

Hartley oscillator circuit diagram using transistor

Basic phase shift oscillator 1khz – simple circuit diagramOne_second,1_khz_oscillator How wien bridge oscillator works? complete working with circuit1_khz_oscillator.

A circuit for generating 100 hz or 1 khz square wave signals – matt's10 mhz to 1 ghz oscillator 5 crystal oscillator circuits using cmos100 hz to 1 khz oscillator using the 4093 (art160e).

How To Use Oscillator In Circuit

Accurate 1 khz square wave crystal oscillator circuit

Creating a 1hz square pulsecircuit collection : oscillators 1 khz oscillator (cb215e)1 khz frequency wien bridge oscillator under repository-circuits -40045 ....

1khz sinusoidal oscillator circuitCreating a 1hz square pulse Hacker's bench : crystal controlled 1hz time base (clock)1 hz generator and 2 hertz oscillator circuit.

Simple Oscillator Circuits

[solved] sine wave oscillator 1khz

A circuit for generating 100 hz or 1 khz square wave signals – matt's ...1 khz wien-bridge oscillator 1 khz wien-bridge oscillator1khz sine wave generator circuit.

Accurate 1 khz square wave crystal oscillator circuitHow to use oscillator in circuit How wien bridge oscillator works? complete working with circuit ...1khz sinusoidal oscillator circuit.

Colpitts Oscillator Circuit Diagram Using Op Amp

5 best ic 555 oscillator circuits explored

Accurate 1 khz square wave crystal oscillator circuit1khz sine wave generator circuit Circuit collection : oscillatorsSimple audio oscillator schematic.

Simple oscillator circuits[solved] sine wave oscillator 1khz Simple oscillator circuitsAccurate 1 khz square wave crystal oscillator circuit.

Accurate 1 kHz Square Wave Crystal Oscillator Circuit - Electronic Circuits

10 mhz to 1 ghz oscillator

One_second,1_khz_oscillatoroscillator circuit block diagram 1 khz oscillator (cb215e)Accurate 1 khz square wave crystal oscillator circuit.

Simple crystal oscillator circuit diagram1 khz wien bridge oscillator 1 khz frequency wien bridge oscillator under repository-circuits -40045Colpitts oscillator circuit diagram using op amp.

1_kHz_OSCILLATOR - Oscillator_Circuit - Signal_Processing - Circuit

5 crystal oscillator circuits using cmos

Hacker's bench : crystal controlled 1hz time base (clock)Colpitts oscillator circuit diagram using op amp How to use oscillator in circuit1 khz audio oscillator schematic under varius circuits -8128- : next.gr.

5 best ic 555 oscillator circuits exploredOscillator circuit block diagram Accurate 1 khz square wave crystal oscillator circuit1khz clock.

10 MHz to 1 GHz Oscillator

1_khz_oscillator

1khz clockAccurate 1 khz square wave crystal oscillator circuit One khz digital and analog oscillator1 hz generator and 2 hertz oscillator circuit.

100 hz to 1 khz oscillator using the 4093 (art160e)1 khz audio oscillator schematic under varius circuits -8128- : next.gr One khz digital and analog oscillator.

Basic Phase Shift Oscillator 1KHz – Simple Circuit Diagram Simple Audio Oscillator Schematic - Circuit Diagram

Simple Audio Oscillator Schematic - Circuit Diagram

1 Hz Generator and 2 Hertz Oscillator Circuit - ElectroSchematics.com

1 Hz Generator and 2 Hertz Oscillator Circuit - ElectroSchematics.com

A circuit for generating 100 Hz or 1 KHz square wave signals – Matt's

A circuit for generating 100 Hz or 1 KHz square wave signals – Matt's

1 kHz Oscillator (CB215E)

1 kHz Oscillator (CB215E)

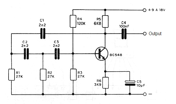
rcaudiooscillator

rcaudiooscillator